提供一站式超高分子量聚乙烯解決方案
熱搜關鍵詞: 高分子量聚乙烯板材 UPE一次成型件 鏈條導軌 UPE薄膜 仿真冰板 耐磨條
后臺-營銷-SEO-頭部優化文字處修改
▍性能與特點
● 鏈條導軌也叫鏈條導向件,是一種靜壓導軌,用于支撐和導向鏈條、減少鏈條摩擦、降低噪音、增強鏈條使用壽命。
● 鏈條導軌幾乎應用于每一個行業的傳動鏈,皮帶或鏈條驅動裝置或產品傳輸。如產品物料包裝、罐裝和輸送機器、印刷機制造業等。
● 我司鏈條導軌均采用840萬進口超高分子量聚乙烯原料制作,規格齊全,加工精度高,打孔累計公差最大值為0.6毫米/米。
● 我司鏈條導軌可帶配套鋼槽。
● UPE鏈條導軌具有高耐磨、耐腐蝕、不吸水、吸能降噪及自潤滑的特性,使用溫度為-200℃-80℃,該材料通過FDA認證,安全無毒。
配C型鋼槽的優勢:
1、省時省力鏈條導軌安裝/拆裝簡便,如鏈條導軌有消耗磨損,替換省時省力;
2、如鏈條導軌有消耗磨損,替換省時省力,只需保證UPE鏈條導軌不被推出鋼槽;
3、高導向高精度,只需要螺絲擰緊鋼槽,可保證鏈條導軌不會變型;
4、如操作溫度發生變化,鏈條導軌可有充足空間擴張或收縮。
鏈條導軌也叫傳動鏈條導向件,是一種靜壓導軌,用來支撐和導向傳動鏈條、大幅度降低傳動鏈條摩擦力、大幅度降低噪聲、提高傳動鏈條使用期限。用800萬超高分子量聚乙烯高耐磨,耐溫工程塑料
PE-UHM材料,具備經濟,零污染特點.高耐磨、耐溫、精密、穩定、無音、節能等高精度的鏈條導向。鏈條導軌-磨損小.摩擦阻力小.自主潤滑.(不需任何潤滑油),具備抗沖擊性.運用工作溫度范圍-200~+80℃.具備減震作用,在潮濕環境下不易受潮.具備高的抗化學性能.有抗腐蝕性。
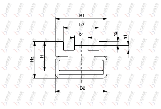
▍選型指南
單位:mm
▍實物圖
服務熱線