提供一站式超高分子量聚乙烯解決方案
熱搜關鍵詞: 高分子量聚乙烯板材 UPE一次成型件 鏈條導軌 UPE薄膜 仿真冰板 耐磨條
后臺-營銷-SEO-頭部優化文字處修改
▍性能與特點
● 鏈條導軌也叫鏈條導向件,是一種靜壓導軌,用于支撐和導向鏈條、減少鏈條摩擦、降低噪音、增強鏈條使用壽命。
● 鏈條導軌幾乎應用于每一個行業的傳動鏈,皮帶或鏈條驅動裝置或產品傳輸。如產品物料包裝、罐裝和輸送機器、印刷機制造業等。
● 山西天罡鏈條導軌均采用840萬進口超高分子量聚乙烯原料制作,規格齊全,加工精度高,打孔累計公差最大值為0.6毫米/米。
● 山西天罡鏈條導軌可帶配套鋼槽。
● UPE鏈條導軌具有高耐磨、耐腐蝕、不吸水、吸能降噪及自潤滑的特性,使用溫度為-200℃-80℃,該材料通過FDA認證,安全無毒。
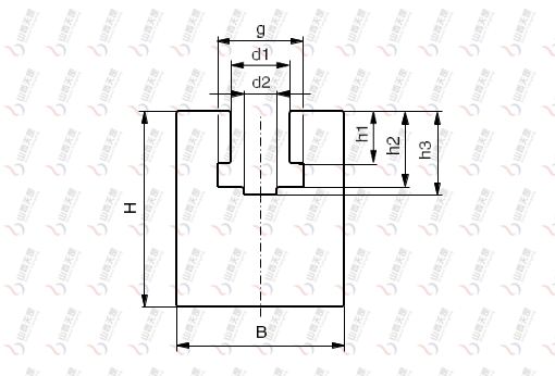
▍選型指南
單位:mm
▍實物圖
服務熱線