提供一站式超高分子量聚乙烯解決方案
熱搜關鍵詞: 高分子量聚乙烯板材 UPE一次成型件 鏈條導軌 UPE薄膜 仿真冰板 耐磨條
后臺-營銷-SEO-頭部優化文字處修改
▍性能與特點
鏈條導軌也叫傳動鏈條導向件,是一種靜壓導軌,用來支撐和導向傳動鏈條、大幅度降低傳動鏈條摩擦力、大幅度降低噪聲、提高傳動鏈條使用期限。
鏈條導軌基本上運用于每一個行業的鏈條傳動,皮帶或傳動鏈條驅動裝置或產品傳送。如產品物料包裝、罐裝和運輸設備、模切機、膠釘聯動線、騎馬釘、膠裝書包本機、印刷設備加工制造業等。
山西天罡鏈條導軌均采用840萬進口的超高分子量聚乙烯原材料制做,規格齊全,生產高精度,開孔累計尺寸公差最高值為0.6毫米/米。
山西天罡鏈條導軌可帶搭配304不銹鋼鋼槽。
UPE鏈條導軌具有超耐磨、抗腐蝕、不吸水、吸能降躁及自潤滑的性能,使用溫度為-269℃-80℃,該材料通過SGS認證,安全無毒。
配C型鋼槽的好處:
1、方便導軌安裝/拆卸簡易,如導軌有勞損,更換方便快捷;
2、如導軌有勞損,更換方便快捷,只需確保塑料導軌不被推出鋼槽;
3、高導向精度,只需用螺絲緊固鋼槽,可確保導軌不會變形;
4、如工作溫度改變,導軌可有足夠空間擴張或收縮。
鏈條導軌、鏈條導向件,是一種靜壓導軌,用于支撐和導向鏈條,減少鏈條磨擦,降低噪音,增強鏈條使用壽命。采用800萬超高分子量高耐磨,耐溫工程塑料
PE-UHM材料,具有經濟,無污染特性.高耐磨、耐溫、精密、穩固、無聲、環保等高精度的鏈條導向。鏈條導軌-磨損小.摩擦阻力小.自行潤滑.(不需任何潤滑油),具有抗沖擊性.使用溫度范圍-200~+80℃.具有減震作用,在潮濕環境下不易受潮.具有高的抗化學性能.有抗腐蝕性。
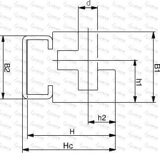
▍選型指南
單位:mm
▍實物圖
服務熱線